GML-02WB 系列
GML-02WB 系列开关通断器说明书
GML-02WB 系列型号及外观
GML-02WB
GML-02WB-ES
GML-02WB

GML-02WB-ES

产品介绍
特点
无需网关 - 您无需为该设备购买网关, 该设备可直接连接到房屋的Wi-Fi
Wi-Fi + 蓝牙双模 - 更快地连接到网络, 配网速度比纯Wi-Fi设备快2倍
App远程控制 - 通过手机 App 随时随地控制设备
智能联动 - 智能场景模式下可以设置联动, 发出报警声音. 手机 App 也会收到提示.
语音控制 - 搭配 Amazon Echo, Google Home, Yandex, 天猫精灵一起使用
离线功能 - 当设备离线, 30分钟以后 App 会提醒设备离线
家庭共享 - 与家人一起打造智能家居
设置定时 - 在指定时间打开和关闭连接的设备
分享功能 - 与家人共享以共同控制
电量统计 - GML-02WB-ES具有电量统计功能
蓝牙仅用于网络信号连接, 不能单独使用蓝牙控制设备. Wi-Fi+蓝牙配网速度更快
安全咨询及注意事项
本产品安装过程中涉及强电, 需由专业人员依照电工规范和产品说明书进行安装;
本产品仅限室内使用,请勿在潮湿环境或室外使用;
本产品仅适用于海拔2000米以下地区安全使用;
注意防潮, 请勿将水或其他液体泼洒到本产品上;
请勿将本产品置放于靠近热源的地方;
请勿尝试自行维修本产品, 应由授权的专业人士进行此项工作;
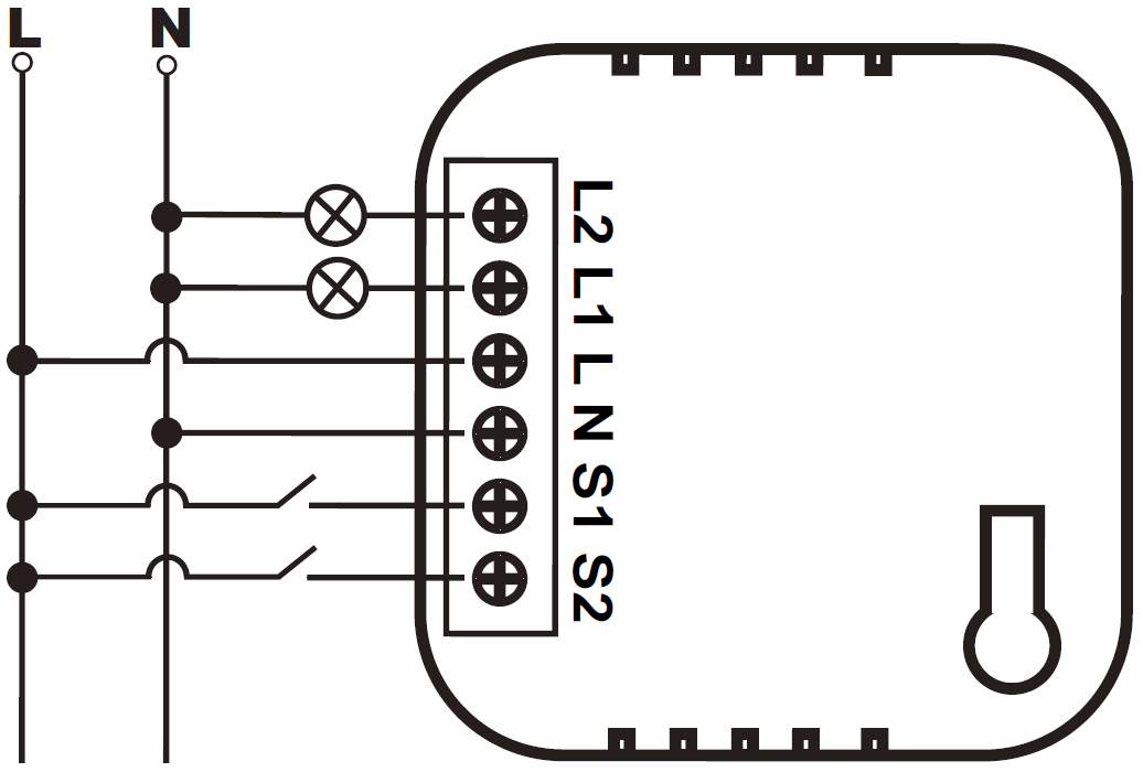
请勿过载使用, 通电前请确保本产品前端的10A过流保护断路器工作正常. 建议端子连接线的剥线长度为6-8毫米;
该产品不应安装或固定在人手能触摸的地方, 例如墙体外. 应安装在器具内, 或者暗盒内;
粘贴固定天线位置应尽量避开金属, 电线及模块本身. (适用于外接天线款).
安装方式
安装前请确认电源总闸已关闭
使用螺丝刀拧松设备接线柱螺丝, 按照图示将零线接入N孔, 火线接入L孔. 详细接线图请参考
开启电源总闸, 依照快速设置添加设备.



机械开关只有在AC100V或以上才可使用,DC电压无功能
产品参数
电压: 100 - 240VAC | 50/60Hz
无线标准: Wi-Fi - 2.4GHz + 蓝牙
最大功率
2 x 75W LED - 110V
2 x 150W LED - 220V
2 x 5A Incandesent Lamp
尺寸: 45 x 45 x 18mm (不带安装夹) | 50 x 45 x 22mm (带安装夹)
快速设置
1. 注册账号
使用智能生活 App
请跳转到 '使用智能生活 App' 页面查看
2. 添加设备
打开智能 App, 点击首页右上角 '+', 进入添加设备 (配件) 页面, 选择, 并依照提示进行操作
如添加失败,请重新长按配网键,再次尝试
3. 控制设备
使用App进行控制, 可正常控制设备, 表示设备工作正常
指示灯状态说明
指示灯状态
状态描述
蓝色快闪
网络连接中
蓝色常亮
网络连接正常
指示灯灭
设备离线/断网
有毒有害物质声明
部件名称
铅 (Pb)
汞 (Hg)
镉(Cd)
六价铬 (Cr(VI))
多溴联苯 (PBB)
多溴二苯醚 (PBDE)
白色塑料壳
O
O
O
O
O
O
硬塑料
O
O
O
O
O
O
电子元器件
O
O
O
O
O
O
PCB板
O
O
O
O
O
O
金属
O
O
O
O
O
O
本表格依据SJ/T 11364的规定编制.
O: 表示该有害物质在该部件所有均质材料中的含量均在GB/T 26572规定的限量要求以下.
×: 表示该有害物质至少在该部件的某一均质材料中的含量超出GB/T 26572规定的限量要求.
微功率设备使用说明
本产品使用的 Wi-Fi 技术符合 '微功率短距离无线电发射设备目录和技术要求' 中通用微功率设备F类设备的技术要求, 用于数据传输应用. 采用一体化天线, 控制, 调整及开关等使用方法请参考产品说明书中相关内容;
不得擅自改变使用场景或使用条件, 扩大发射频率范围, 加大发射功率 (包括额外加装射频功率放大器), 不得擅自更改发射天线;
不得对其他合法的无线电台 (站) 产生有害干扰, 也不得提出免受有害干扰保护;
应当承受辐射射频能量的工业, 科学及医疗 (ISM) 应用设备的干扰或其他合法的无线电台(站)干扰;
如对其他合法的无线电台 (站) 产生有害干扰时, 应立即停止使用, 并采取措施消除干扰后方可继续使用;
在航空器内和依据法律法规, 国家有关规定, 标准划设的射电天文台, 气象雷达站, 卫星地球站 (含测控, 测距, 接收, 导航站) 等军民用无线电台 (站), 机场等的电磁环境保护区域内使用微功率设备, 应当遵守电磁环境保护及相关行业主管部门的规定;
禁止在以机场跑道中心点为圆心, 半径5000米的区域内使用各类模型遥控器;
微功率设备使用温度为-10℃ - 40℃, 供电为220 V AC, 10 A; 24 - 38 V DC, 10A; 38 - 60 V DC, 1A.
保修说明
本产品售后服务严格依据《中华人民共和国消费者权益保护法》,《中华人民共和国产品质量法》实行售后三包服务, 服务内容如下:
保修政策
在三包有效期内, 您可以依照本规定免费享受退货, 换货, 维修的服务. 退货, 换货, 维修应当凭发票办理.
签收次日起7天内无理由退货 (电商购买渠道), 由用户承担物流费用.
本产品出现《产品性能故障表》所列性能故障的情况, 经售后服务检测确定后, 可以免费享受如下服务:
服务类型
服务政策
退货
自签收次日起7天内产品质量原因退货
换货
自签收次日起15天内产品质量原因换货
维修
自签收次日起1年内产品质量原因维修
友情提示: 因运输过程中需使用包装箱保证产品运输安全, 建议您自签收次日起至少保留包装箱30天.
产品性能故障表
1. 因结构或者材料因素造成表面裂损
2. 指示灯失效
3. 按键失效
4. 控制功能失效
非保修条例
未经授权的维修, 误用, 碰撞, 疏忽, 滥用, 进液, 事故, 改动, 不正确的使用非本产品配件, 或撕毁, 涂改标贴, 防伪标记;
已超过三包有效期;
因不可抗力造成的损坏;
不符合《产品性能故障表》所列性能故障的情况;
因人为原因导致本产品及其配件产生《产品性能故障表》所列性能故障的情况.
最后更新于